Skip to Content (Press Enter)
L.B. Foster Logo. Rail and infrastructure solutions.
CXT Logo.

Kodiak Flush Restroom

Two separate multiuser ADA-compliant flush restrooms.

CXT Kodiak flush restroom.

The Kodiak is manufactured with steel-reinforced precast concrete and available in a variety of textures and colors to complement existing architecture. The structures are simple to install, easy to maintain, and vandal resistant.

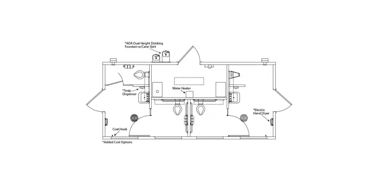
The 10’ 6” x 23’ 8" Kodiak has two multiuser restrooms and includes three toilets (two ADA), one urinal, two sinks, ADA grab bars, and interior and exterior lights.

Key Benefits

  • Simple Installation: Minimal site preparation needed and can typically be in use on the day of installation
  • Easy to Maintain: The all-concrete construction will withstand rot and corrosion, and allows for easy cleaning and lower operational costs
  • Vandal Resistant: Interiors are designed to resist abusive wear and maximize the structure’s service life.

Kodiak Floorplan

Kodiak concrete flush restroom floorplan. Drawing for reference only.

Standard Features

The Kodiak standard features are listed below. Also available are a variety of added cost options available to suit your particular needs. Contact us for more information.

  •  Simulated barnwood texture walls with simulated cedar shake texture roof.

  • Vitreous china toilets and sinks.

  • Interior and exterior energy-efficient LED lighting.

  • 4-gallon water heater.

  • Stainless steel grab bars and ADA-compliant signage with Braille.

  • Toilet paper holders, coat hooks, and door stops.

  • CXT Kodiak flush restroom.
  • Kodiak interior.
  • Kodiak interior.
  • CXT Kodiak flush restroom.
  • Kodiak chase.
  • Kodiak chase.
    • CXT Kodiak flush restroom.
    • Kodiak interior.
    • Kodiak interior.
    • CXT Kodiak flush restroom.
    • Kodiak chase.
    • Kodiak chase.

    Delivered Throughout the United States and Canada

    Our three plants, located in Idaho, Texas, and West Virginia, have ISO 9001:2015 and PCI certications. Our concrete buildings are delivered complete and ready to use throughout the United States and Canada. Contact your regional sales representative to discuss your project and discover how we can meet your project needs.

    Google Map Screenshot of CXT Plant Locations.
    Contact Us
    • CXT® Incorporated, an L.B. Foster Company
    • Spokane Valley, WA
    • Find us on Google Maps
    • CXT® Incorporated, an L.B. Foster Company, 606 N. Pines Road, Suite 202, Spokane Valley, WA, 99206, United States
    Replacement Parts

    Customer service representatives are available from 7:30AM to 3:30PM MT Monday thru Friday. Call (800) 663-5789 or visit cxtincparts.com to order replacement parts.

    Replacement Parts

    Ordering and More Information

    Contact a local representative today.

    🇺🇸 United States

    About CXT Concrete Buildings

    Nampa 5 section building on crane.
    About Concrete Buildings

    We manufacture precast concrete restroom, shower, concession, utility, and multipurpose buildings for parks and educational institutions nationwide.